易造新聞
不同的接地方式,浪涌保護器怎么選型?-一看便知-易造防雷
GB50054《低壓配電設計規范》:低壓配電系統有三種接地形式,即IT系統、TT系統、TN系統。
第一個字母表示電源端與地的關系
T:電源變壓器中性點直接接地。I:電源變壓器中性點不接地,或通過高阻抗接地。
第二個字母表示電氣裝置的外露可導電部分與地的關系
T:電氣裝置的外露可導電部分直接接地,此接地點在電氣上獨立于電源端的接地點。N:電氣裝置的外露可導電部分與電源端接地點有直接電氣連接。
后續字母描述中性線與保護線的關系:S :中性線和保護線分開C :那邊中性線和保護線合并(一條導線)
不同的接地方式
浪涌保護器怎么選型?
根據GB50057附錄J表J.1.2所示:

其中接線形式1表示SPD安裝在RCD的負荷側,接線形式2代表SPD安裝在RCD的電源側。
TT系統:

如圖所示:TT系統SPD安裝在RCD的負荷側時,使用4P接線模式,實現了L線與PE線、N線與PE線之間的共模保護。

如圖所示:TT系統SPD安裝在RCD的電源側時,相線和PE線中不能直接連接,接線模式為3P+N模式,4個浪涌保護器中有一個充當了N和PE線之間的共模保護,而另外三個連接在L和N線之間實現的是差模保護。
TN-C系統:

如圖所示:TN-C系統N線和PE線合并為一條線,稱為PEN線,此時電路系統中實際上為相線和PEN線單獨連接,為3P接線模式。
TN-S系統SPD安裝在RCD的負荷側時,使用4P接線模式,SPD安裝在RCD的電源側時,相線和PE線中不能直接連接,連線模式為3P+N模式。
TN-C-S系統:


如圖所示:TN-C-S系統前部分為TN-C方式供電,后部分從PEN線中分出N線和PE線。在N與PE線的連接處SPD用3P,在N與PE線分開10m以后安裝SPD時用4P,即在N與PE線間增加一個。
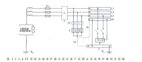
IT系統:

不引出中線的IT系統,實際上只使用了3P的接線模式;引出中線的IT系統SPD安裝在RCD的負荷側時,使用4P接線模式;SPD安裝在RCD的電源側時,相線和PE線中不能直接連接,接線模式為3P+N。

杭州易造科技有限公司生產的浪涌保護器適用于各種接地系統的要求,有500多種規格型號,無損全檢技術,灌膠工藝,使得易造的浪涌保護器一致性好,新型一體化度集成設計,使得易造產品擁有大通流量,同時低UP的優點,目前主要用于軌道交通,風力發電,石油化工等行業電力系統,歡迎合作伙伴咨詢!
-End-
易造防雷浪涌保護器的主要優勢:
易造復合型防雷電源SPD專用浪涌保護器,20年設計壽命,一體式組合低壓電源防雷器小體積大通流,低殘壓、高TOV耐受1800V;MG串聯技術,0漏流0續流;密封結構無外泄電弧,不起火。
易造三相、單相、混合型防雷浪涌模塊采用鏈式放電技術,實現了防雷SPD的能量自動協調功能,安裝時無需考慮兩級電源交流SPD間的距離,t1、一類、一級SPD防雷器可以直接安裝于t2、ii、二級防雷浪涌保護器后端,安裝更快捷!
易造國產優質浪涌保護器品牌廠家,外殼采用PA66高阻燃絕緣防護材料,符合UL94V-0 RoHS REACH認證,一體式復合型組合設計防震防潮耐高溫,易造低壓防雷電源專用防雷器、交流雷電雷擊電涌SPD模塊等浪涌保護器廣泛應用于家用、配電箱、配電柜、消防、光伏、通訊、設備、系統、機房、電網、加油站、變電所、工廠、小區、電梯、控制柜、工業、新能源、通訊、建筑、軌道交通、石油石化等多個領域。
杭州易造是國家高新技術企業、杭州市“雛鷹計劃”企業,通過了ISO9001、ISO14001、ISO45001、3C等質量管理體系認證,國內專業電源防雷設備生產廠家,擁有全套風電浪涌保護器生產制作技術。主要生產一體式、復合型、單相、三相、兩相、直流、混合型等款式,提供不同配電系統對一級浪涌保護器、二級浪涌保護器的1PN、2P、3P、3PN、4P等全系列電源防雷模塊,SPD通過了UL、CSA、TUV、CQC、CE等權威認證,1500+規格型號可選擇,滿足所有低壓設備的電涌防護要求。

相關文章:
14. 浪涌保護器漏電流是越小越好嗎? 0漏電流的SPD有嗎?
18. 浪涌保護器安裝時需要注意的一個距離-這個點一定要注意
20. 浪涌保護器接線圖—專業防雷解答
25. ul1449認證的浪涌保護器-主回路脫扣裝置防雷更穩定
此文關鍵詞: 不同的接地方式,浪涌保護器怎么選型
聯系易造
聯系易造
CONTACT EYZAO
咨詢熱線:133-8651-1449
固定電話:0571-89721333
公司郵箱: eyzao@eyzao.com
營銷中心:浙江省杭州市蕭山區錢江世紀城寧一路9號
我要留言
LEAVE A MESSAGE
推薦產品
產品資訊MORE
2023.02.22
2022.12.12
2022.12.14
2023.11.08
2022.06.01
2022.06.07
機房配電柜浪涌保護器多少錢一個:保障企業數據安全的必備之選-易造防雷…
2023.11.28
2023.08.17
2023.09.15
2022.05.23
用戶評論
我要評論



