易造新聞
浪涌保護器如何接線?廠家技術解答-易造防雷
浪涌保護器(SPD)在電氣系統中扮演著至關重要的角色,保護設備免受電壓浪涌和過電壓的影響。正確的接線是確保浪涌保護器有效工作的關鍵。近日,有客戶聯系我們說不清楚浪涌保護器如何接線,為此,本文將介紹交流、直流和信號浪涌保護器的不同接線方式以及安裝時需要注意的事項。
一、交流浪涌保護器的安裝方式
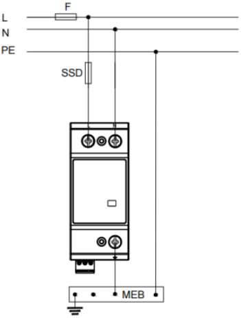
1. 單相系統SPD的安裝
單相浪涌保護器有3個接線口(L、N、PE),分別是連接單相系統的火線,零線和地線,如下圖所示,其中SSD是指浪涌專用后備保護器。

2. 三相系統SPD的安裝
三相電系統包括TT系統、TN系統和IT系統,TN系統又包括TN-C系統和TN-S系統,不同系統的接線方式會不一樣,對于TT系統、TN-S系統和有中性線的IT系統應安裝有5個接線口(L1、L2、L3、N、PE)的SPD,TN-C系統和無中性線的IT系統應安裝有4個接線口(L1、L2、L3、PEN或PE)的SPD,具體接線方式如下圖所示

二、直流SPD的安裝
直流SPD的接線方式也很簡單,只有3個接線口(V+、V-、PE),分別接于直流系統的正極,負極和地線,如下圖所示:

三、信號SPD的安裝方式
信號SPD的安裝不同于交流和直流的地方是信號SPD是串聯于線路中,實現高低頻,單雙對線的全模保護模式。
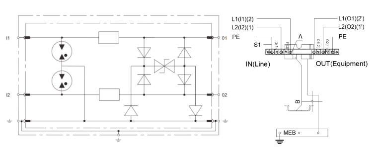
1. 控制信號SPD的安裝
控制信號SPD是在一端輸入,一端輸出的連接方式安裝于線路上的,此處以2線制為例,共有五個接線口(I1、I2、O1、O2、PE),I1和I2是輸入端,O1和O2是輸出端,PE接地。具體原理圖和安裝如下圖所示;

2. 網絡信號SPD的安裝
網絡信號無疑指的就是網線線路的保護,網絡SPD也是串聯在網線線路中,他有3個接線口(RJ45輸入端、RJ45輸出端,PE),網線通過RJ45接口連接方式插入SPD兩端,網線為8線制,故從網絡SPD原理圖中可以看出有8條線路的輸入通道,具體原理圖和安裝圖如下圖所示:

四、浪涌保護器的安裝注意事項
1.在安裝浪涌保護器之前,務必確保斷開電源,以免觸電事故發生。
2.安裝SPD時,確保接線總長度不超過0.5米,或者采用凱文的接線方式。
3.在安裝過程中,根據SPD的等級選擇合適的連接線徑。
4.接線時應注意接線端子的固定,確保連接牢固穩定,避免接觸不良等問題
5.SPD必須確保充分接地,否則盡管安裝了SPD也不會起到防雷的作用。

綜上所述,通過本文我們了解了浪涌保護器的接線方法以及提供的接線圖,希望能夠對您正確安裝浪涌保護器提供幫助。為了保證電器設備的安全運行,建議按照說明書和相關標準進行操作,確保接線正確可靠。
-End-
易造防雷浪涌保護器的主要優勢:
易造復合型防雷電源SPD專用浪涌保護器,20年設計壽命,一體式組合低壓電源防雷器小體積大通流,低殘壓、高TOV耐受1800V;MG串聯技術,0漏流0續流;密封結構無外泄電弧,不起火。
易造三相、單相、混合型防雷浪涌模塊采用鏈式放電技術,實現了防雷SPD的能量自動協調功能,安裝時無需考慮兩級電源交流SPD間的距離,t1、一類、一級SPD防雷器可以直接安裝于t2、ii、二級防雷浪涌保護器后端,安裝更快捷!
易造國產優質浪涌保護器品牌廠家,外殼采用PA66高阻燃絕緣防護材料,符合UL94V-0 RoHS REACH認證,一體式復合型組合設計防震防潮耐高溫,易造低壓防雷電源專用防雷器、交流雷電雷擊電涌SPD模塊等浪涌保護器廣泛應用于家用、配電箱、配電柜、消防、光伏、通訊、設備、系統、機房、電網、加油站、變電所、工廠、小區、電梯、控制柜、工業、新能源、通訊、建筑、軌道交通、石油石化等多個領域。
杭州易造是國家高新技術企業、杭州市“雛鷹計劃”企業,通過了ISO9001、ISO14001、ISO45001、3C等質量管理體系認證,國內專業電源防雷設備生產廠家,擁有全套風電浪涌保護器生產制作技術。主要生產一體式、復合型、單相、三相、兩相、直流、混合型等款式,提供不同配電系統對一級浪涌保護器、二級浪涌保護器的1PN、2P、3P、3PN、4P等全系列電源防雷模塊,SPD通過了UL、CSA、TUV、CQC、CE等權威認證,1500+規格型號可選擇,滿足所有低壓設備的電涌防護要求。

相關文章:
14. 浪涌保護器漏電流是越小越好嗎? 0漏電流的SPD有嗎?
18. 浪涌保護器安裝時需要注意的一個距離-這個點一定要注意
20. 浪涌保護器接線圖—專業防雷解答
25. ul1449認證的浪涌保護器-主回路脫扣裝置防雷更穩定
此文關鍵詞: 浪涌保護器如何接線
聯系易造
聯系易造
CONTACT EYZAO
咨詢熱線:133-8651-1449
固定電話:0571-89721333
公司郵箱: eyzao@eyzao.com
營銷中心:浙江省杭州市蕭山區錢江世紀城寧一路9號
我要留言
LEAVE A MESSAGE
推薦產品
產品資訊MORE
2022.12.20
2023.08.24
2023.03.18
2022.03.06
2022.12.08
什么樣的浪涌后備保護器才能真正起到保護作用?點擊查看詳情-易造防雷…
2023.06.30
2023.10.09
2023.05.23
不同的電網系統如何選用浪涌保護器-這么選更省錢【杭州易造】…
2022.02.09
2022.11.28
用戶評論
我要評論




